ADVISORY HOTLINE
86-10-61095837
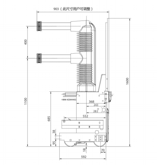
DVB Solid-closure High-voltage Vacuum Circuit Breaker is the new-generation Vacuum Circuit Breaker independently developed by Beijing Orient Vacuum Electric CO.,LTD (BOV). All the main components (such as Vacuum interrupter, Embedded Pole, Operating Mechanism) are manufactured by BOV so that the DVB Vacuum Circuit Breaker is effectively controlled of cost and quality. DVB Vacuum Circuit Breaker has the features of low resistance, long mechanical life and high reliability and has a full range on rated voltage of 12KV, 24KV, 40.5KV.
