ADVISORY HOTLINE
86-10-61095837
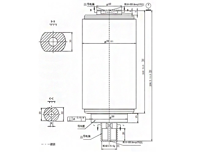
BOV Vacuum interrupter(VI) are mainly utilized on various vacuum Circuit-breaker, Vacuum Load-breaking Switch, High Speed Rail Switch, Vacuum contactor and VI i
Click here to learn more