ADVISORY HOTLINE
86-10-61095837
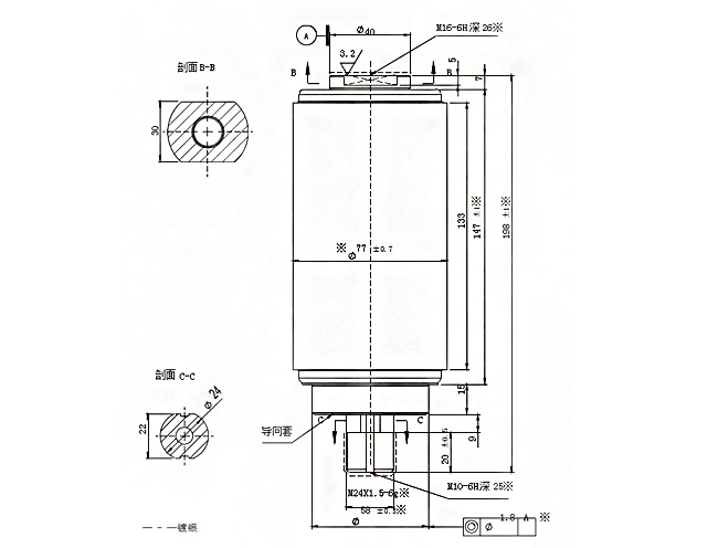
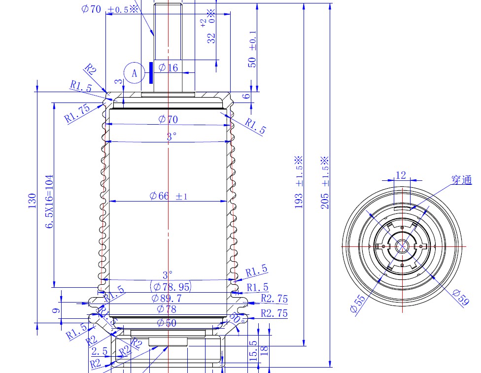
BOV Vacuum interrupter(VI) are mainly utilized on various vacuum Circuit-breaker, Vacuum Load-breaking Switch, High Speed Rail Switch, Vacuum contactor and VI i
Click here to learn more
Click here to learn more